EC3200 Electric Crane

3,200-lb Capacity with 15′ Horizontal Reach

Stellar® EC3200 Electric Service Cranes are available in both steel and aluminum. The aluminum model is 230 lbs lighter, making it a great choice if you need to increase payload on your mechanic or service truck.

Both models combine the lifting power you need with the economy you want. You’ll handle a wide range of lifting needs, and you won’t have to spend valuable time and money refueling. Because the EC3200 doesn’t require a pump, operation is significantly quieter than hydraulic cranes so you can work at times and in locations where reduced noise is essential.

10+ available in Inventory

Print

Additional Information

EC3200 Includes:

  • Ball Bearing Rotation Gear for solid support and smooth operation
  • Steel Worm Gear for reliable speed control when rotating the shaft
  • Electric Planetary Winch that lifts the maximum crane load and offers the smoothest and fastest speeds in the market today for maximum productivity
  • Low-Profile Design for superior clearance
  • Exclusive Double-Boom Design for rigidity, strength and accuracy*
  • Integral Rotation Stop with 410° rotation for the greatest performance while protecting wires and hoses from damage
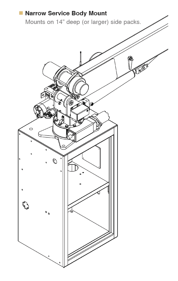
  • More Mounting Options with Standard or Narrow base choices
    • Wide mount version for 20″ wide sidepacks or larger
    • Narrow mount version for 14″ wide sidepacks
  • Certification for ANSI B30.5 and OSHA 1910.180 specifications

*Not available on EC3200 AL

Specifications

Crane Rating: 11,500 ft-lbs (1.59 tm)
Standard Boom Length: 7' (2.13 m) from CL of crane
Boom Extension:
• 1st Stage:
• 2nd Stage:

Hydraulic 48" (121.9 cm)
Manual 48" (121.9 cm)
Maximum Horizontal Reach: 15' (4.57 m) from CL of crane
Maximum Vertical Lift: 16' 2" (4.93 m) from crane base
Lifting Capacity: 3,200 lbs @ 3.6' (1,451 kg @ 1.1 m)
1,625 lbs @ 7' (737 kg @ 2.1 m)
905 lbs @ 11' (410 kg @ 3.35 m)
640 lbs @ 15' (290 kg @ 4.6 m)
Boom Elevation: -5° to +80°
Stowed Height (crane only): Steel: 24" (61 cm)
Aluminum: 24.7" (63 cm)
Mounting Space Required: 18" x 15" (45.7 x 38.1 cm)
Approximate Crane Weight: Steel: 730 lbs (331 kg)
Aluminum: 500 lbs (230 kg)
Controls: Radio remote
Winch:
• Rope Diameter:
• Rope Length:
• Line Pull Speed:
• Max. Single Part Line:
• Max. Double Part Line:

7/32" (0.56 cm)
65' (19.8 m)
15 ft/min (4.6 m/min)
1,600 lbs (725 kg)
3,200 lbs (1,450 kg)
Rotation: 410° (worm gear)
Power Supply Required: 12V power unit: 2 gpm @ 2,600 psi (7.57 lpm @ 179 bars)
Min. Rec. Chassis (GVWR)*: 10,500

Optimize your Service vehicle

Because different people use service vehicles in different ways, Stellar makes it easy to outfit yours with a wide range of accessories.

Related Articles

Stellar Announces Acquisition of Elliott Equipment Company, Expanding Product Line and Market Reach

12.01.25

Elliott is a leading U.S. manufacturer of truck-mounted aerial work platforms, digger derricks and cranes. Read the official announcement here.

Videos: Stellar Solutions for Utility Professionals and Construction Contractors

11.19.25

View a video recap of Utility Expo, plus get video overviews of a range of Stellar utility & telecom products displayed at the event.

Watch: 10 New Stellar® Equipment Videos That Show American Innovation at Work

09.16.25

View 10 new videos for a look at Stellar equipment. These American innovations help those who keep the world running.

Ready to Get the Job Done?

Reach out to us today. With Stellar, you don’t just get tough, reliable products and equipment. You get real solutions to real problems — designed with you in mind.

Summer Sales event gif with moving stars Find Your Deal